500V-800V 平面栅VDMOS,自有封装优势,雪崩耐量高, EMI兼容性好, 抗冲击能力强!

发布时间:2025-09-23 | 浏览量:36


平面栅VDMOS 详细介绍


平面栅VDMOS(Vertical Double-Diffused Metal-Oxide-Semiconductor)是一种特殊类型的MOSFET,主要用于功率电子应用。它结合了平面栅(Planar Gate)和垂直扩散技术,以提高功率处理能力和开关效率。



垂直结构:

与传统平面MOSFET不同,VDMOS的主要特点是其垂直结构,即电流沿垂直方向流动。这种设计使得器件能处理更高的功率。

双重扩散(Double-Diffused):

VDMOS的源极和漏极区域通过双重扩散工艺形成。这种工艺允许在较低的电压下获得较高的电流承载能力。

平面栅(Planar Gate):

栅极结构与传统的平面MOSFET类似,使用一层氧化物隔离栅极与半导体之间的直接接触。平面栅设计有助于控制沟道的导电性。

沟道(Channel):

栅极施加电压时,会在源极和漏极之间的半导体材料表面形成一个沟道,这个沟道是垂直于平面栅的。


工作原理


开关特性:

当栅极电压高于阈值电压时,VDMOS形成导电沟道,允许电流从源极流向漏极。垂直结构使其在高电压下仍能保持高开关效率。

功率处理:

由于其垂直结构,VDMOS能够承受较高的电压和电流,适用于高功率应用,如电源管理和电动汽车驱动系统。


必一产品优势




产品概述及特点


必一微提供500V-800V 平面栅VDMOS 。产品采用业界优良的平面技术、独特的器件设计,并结合必一自有封装优势,雪崩耐量高, EMI兼容性好, 抗冲击能力强。



产品应用领域


应用于开关电源、照明、充电器、适配器、 DC-DC、吹风机等。



应用拓扑图及应用案例


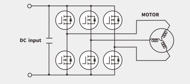
吹风机

image.png



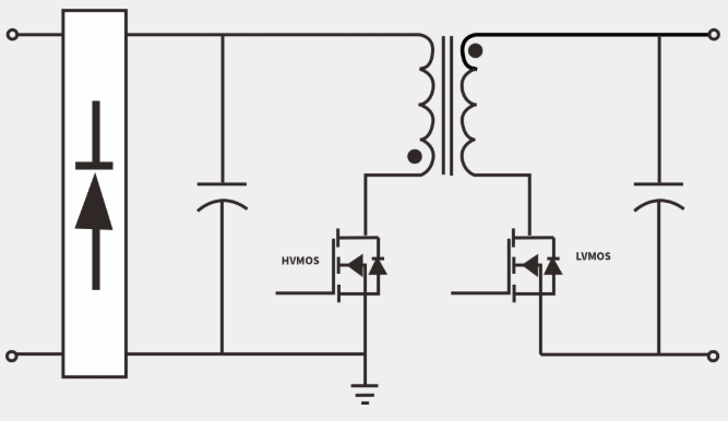
充电器/适配器


image.png




相关新闻